模板工程量计算规则,新手到专家的21个要点
----模板工程量计算规则 , 新手到专家的21个要点//----
混凝土模板及支撑工程
1、现浇混凝土模板 , 定额按不同构件 , 分别以:
组合钢模板、钢支撑、木支撑;(编制标底时可用此项)
复合木模板、钢支撑、木支撑;(钢框+12mm厚竹胶板)
胶合板模板、钢支撑、木支撑;(塑料套管穿对拉螺栓)
木模板、木支撑 编制 。
2、现场预制混凝土模板 , 定额按不同构件分别以组合钢模板、复合木模板、木模板 , 并配制相应的混凝土地膜、砖地膜、砖胎膜编制 。
3、现浇混凝土梁、板、柱、墙是按支模高度(地面支撑点至模底或支模顶)3.6m编制的 , 支模高度超过3.6m时 , 另行计算模板支撑超高部分的工程量 。
若立模高度超过3.6m时 , 应从3.6m以上 , 按每超过3m增加一次计算套用定额项目 。
超高支撑增加次数=(立模高度-3.6m)/3计算 , 不足3米者也按1次计算 。
超高每增3m的工程量 , 梁、板是按超高构件全部混凝土的接触面积计算的;柱和墙是按超高部分的混凝土接触面积计算的 。
工程量计算规则
1、现浇混凝土及预制钢筋混凝土模板工程量 , 除另有规定者外 , 应区别模板的材质 , 按混凝土与模板接触面的面积 , 以平方米计算 。
2、定额附录中的混凝土模板含量参考表 , 系根据代表性工程测算而得 , 只能作为投标报价和编制标底时的参考 。
3、现浇混凝土基础的模板工程量 , 按以下规定计算:
(1)现浇混凝土带形基础的模板 , 按其展开高度乘以基础长度 , 以平方米计算;基础与基础相交时重叠的模板面积不扣除;直形基础端头的模板 , 也不增加 。
(2)杯形基础和高杯基础杯口内的模板 , 并入相应基础模板工程量内 。 杯形基础杯口高度大于杯口长边长度的 , 套用高杯基础定额项目 。
4、现浇混凝土柱模板 , 按柱四周展开宽度乘以柱高 , 以平方米计算 。
(1)柱、梁相交时 , 不扣除梁头所占柱模板面积 。
(2)柱、板相交时 , 不扣除板厚所占柱模板面积 。
5、构造柱模板 , 按混凝土外露宽度 , 乘以柱高以平方米计算 。
(1)构造柱与砌体交错咬茬连接时 , 按混凝土外露面的最大宽度计算 。 构造柱与墙的接触面不计算模板面积 。
构造柱与砖墙咬口模板工程量
=混凝土外露面的最大宽度×柱高
(2)构造柱模板子目 , 已综合考虑了各种形式的构造柱和实际支模大于混凝土外露面积等因素 , 适用于先砌砌体 , 后支模、浇筑混凝土的夹墙柱情况 。
6、现浇混凝土梁(包括基础梁)模板 , 按梁三面展开宽度乘以梁长 , 以平方米计算 。
现浇混凝土梁模板工程量=(梁底宽+梁侧高× 2)×梁长
(1)单梁 , 支座处的模板不扣除 , 端头处的模板不增加 。
(2)梁与梁相交时 , 不扣除次梁梁头所占主梁模板面积 。
(3)梁与板连接时 , 梁侧壁模板算至板下坪 。
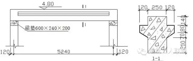
[例
某现浇花篮梁 , 梁端有现浇梁垫 , 尺寸如图所示 。 木模板 , 木支撑 , 计算梁模板、支撑工程量 , 确定定额项目 。
①梁模板工程量
梁断面支模长度=[0.25+(0.21+(0.122+0.072)1/2+0.08+0.12+0.14)×2
特别声明:本站内容均来自网友提供或互联网,仅供参考,请勿用于商业和其他非法用途。如果侵犯了您的权益请与我们联系,我们将在24小时内删除。
