电路简化的基本原则
初中物理电学中的复杂电路可以通过如下原则进行简化:
第一:不计导线电阻 , 认定R线≈0 。 有电流流过的导线两端电压为零 , 断开时开关两端可以测得电压(电路中没有其他断点) 。
第二:开关闭合时等效于一根导线;开关断开时等效于断路 , 可从电路两节点间去掉 。 开关闭合有电流流过时 , 开关两端电压为零 , 断开时开关两端可以测得电压(电路中没有其他断点) 。
第三:电流表内阻很小 , 在分析电路的连接方式时 , 有电流表的地方可看作一根导线 。
第四:电压表内阻很大 , 在分析电路的连接方式时 , 有电压表的地方可视作断路 , 从电路两节点间去掉.
第五:用电器(电阻)短路:用电器(电阻)和导线(开关、电流表)并联时 , 用电器中无电流通过(如下图示) , 可以把用电器从电路的两节点间拆除(去掉) 。
第六:滑动变阻器Pa段被导线(金属杆)短接不工作 , 去掉Pa段后 , 下图a变为图b 。
第七:根据串、并联电路电流和电压规律“串联分压、并联分流”分析总电流、总电压和分电流、分电压的关系 。
第八:电流表和哪个用电器串联就测哪个用电器的电流 , 电压表和哪个用电器并联就测哪个用电器的电压 。 判断电压表所测量的电压可用滑移法和去源法 。
第九:电压表原则上要求并联在电路中 , 单独测量电源电压时 , 可直接在电源两端 。
一般情况下 , 如果电压表串联在电路中 , 测得的电压是电源两端电压(具体情况见笔记) 。 电流表直接接在电源两端会被烧坏 , 且让电源短路 , 烧坏电源 。
第十:如果导线上(节点之间)没有用电器(开关 , 电流表除外) , 那么导线上的各点可以看做是一个点 , 可以任意合并、分开、增减 。 (此法又称节点法)例如:
电路简化步骤
第一步:按照题目要求将断开的开关去掉 , 将闭合的开关变成导线 。
第二步:将电流表变成导线(视具体情况也可保留) 。
第三步:去掉电压表 。
第四步:合并(或者换位)导线上的节点 。 (此步骤在电路中用电器比较多 , 且相互纠结时 , 采用)
第五步:画出等效电路图 , 判断各用电器是串联还是并联 。
第六步:在原电路中利用原则七、八判断电流表和电压表各测量哪个用电器的电流和电压 。
第七步:将电压表和电流表添加到等效电路图中 , 分析各电流表和电压表示数之间的关系 。 (利用原则七)
经典例题选讲
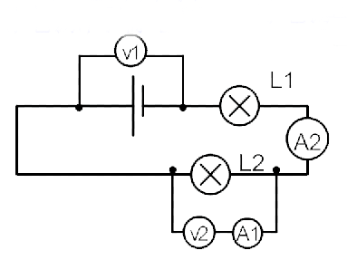
例1:在如下电路图中 , 开关S闭合后 , 电压表V1的示数是2.5V,V2的示数是1V,如果A2的示数是0.2A,那么A1的示数是多少?试求两只灯泡两端的电压 。
文章图片
分析:第一步:将开关变成导线;
第二步:将电流表变成导线;
第三步将电压表去掉 。
第四步(略)
第五步:判断用电器连接方式
文章图片
很显然 , 电路中两个灯泡是串联的 。
【初中生看不懂电路图?因为你不知道这10大原则7大步骤!】第六步:根据原则四 , 知道电压表V2处断开 , 所以没有电流从A1流过 , 示数为零;根据滑移法知道V1和电源并联 , 测电源两端电压 。 V2和L2并联 , 测L2两端电压 。
第七步:等效电路图如下:
特别声明:本站内容均来自网友提供或互联网,仅供参考,请勿用于商业和其他非法用途。如果侵犯了您的权益请与我们联系,我们将在24小时内删除。
