防排烟设备的原理、适用场合以及系统的控制方案详解

文章图片
【防排烟设备的原理、适用场合以及系统的控制方案详解】

文章图片

文章图片

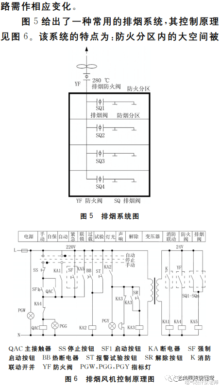
文章图片

文章图片

文章图片

文章图片

文章图片

文章图片

什么是消防排烟系统?估计大部分电气人员再熟悉不过了 。 排烟系统是采用自然排烟或机械排烟的方式 , 将房间、走道等空间的火灾烟气排至建筑物外的系统 , 分为自然排烟系统和机械排烟系统 。 一般的消防排烟系统 , 都是通过送排风管道、管井、防火阀、门开关设备与风机等设备组成 。 尤其是消防排烟管道 , 消防排烟管有消防风管和排烟风管两种 , 第一个是向外抽走烟气 , 将建筑物内部的烟排出去 , 第二个是向室内鼓进大量空气 , 挤走烟气 。
而防排烟设备形式多样 , 系统类型及控制方案众多 。 由于防排烟设计人员对控制不熟悉﹐而电气控制人员对防排烟系统也不熟悉 , 双方交流困难﹐难免会产生控制电路不能满足防排烟设计思路、达不到控制要求的情况 。 下面本文根据笔者的理解和工作经验 , 对防排烟设备的原理、适用场合进行整理 , 并为典型排烟系统推荐控制方案 , 如有不妥之处﹐请不吝指教 。
1、常用的防排烟设备:
2、消防排烟类阀门信号交换:
3、典型排烟风机控制原理:
4、文章总结:
文章来源:暖通空调 HV&AC , 作者中国纺织工业设计院 薛垂平 邢智力
特别声明:本站内容均来自网友提供或互联网,仅供参考,请勿用于商业和其他非法用途。如果侵犯了您的权益请与我们联系,我们将在24小时内删除。
