触发器的作用是什么(灯上的触发器的作用是什么)什么是触发器 , 它的作用是什么?
当你有很多数据的时候 , 索引是管用的 。
当你有上百万的数据时 , 你要按照一定的条件提取数据 。 如果没有索引 , 查询时将遍历整个表 。 当你索引的时候 , 你的索引就在这个时候起作用 。
假设你想在这本书里找一句话 。 可以一页一页的搜 , 但是会花很多时间 。 通过使用这本书的索引 , 你可以快速找到你想要搜索的主题 。
表格的索引与附在书上的索引非常相似 。 可以大大提高查询速度 。 对于大型表 , 通过添加索引 , 通常需要几个小时才能完成的查询可以在几分钟内完成 。 因此 , 没有理由向需要频繁查询的表添加索引 。
触发器是一个特殊的存储过程 。 它的执行不是由程序调用或手动启动的 , 而是由事件触发的 , 比如当一个表被操作(
插入、删除、
更新)将激活其执行 。 触发器通常用于实施数据完整性约束和业务规则 。
可以从以下位置访问触发器
dba _触发器
, 用户_触发器
【灯上的触发器的作用是什么 触发器的作用是什么】在字典里查一下 。
触发器可以查询其他表 , 并且可以包含复杂的
声明 。 它们主要用于强制遵守复杂的业务规则或需求 。 例如 , 您可以根据客户的当前帐户状态控制是否允许插入新订单 。
触发器也可用于实施参照完整性 , 以便在多个表中添加、更新或删除行时 , 保留这些表之间定义的关系 。 但是 , 实施参照完整性的最佳方式是在相关表中定义主键和外键约束 。 如果使用数据库图表 , 可以在表之间创建关系 , 以自动创建外键约束 。
什么是触发器(trigger)? 触发器有什么作用?
触发器是由数据库中的时间触发的特殊存储过程 。 它不被程序使用或手动启动 。 触发器的执行可以由表上的insert、delete、update等操作触发 。 触发器通常用于加强数据完整性约束和业务规则 。 触发器可以查询其他表或包含复杂的SQL语句 。 它主要用于强制遵守复杂的业务规则或需求 。 例如 , 触发器可用于根据客户的当前帐户状态控制是否允许插入新订单 。 触发器也可用于实施参照完整性 , 以便在多个表中添加、删除或更新数据时 , 这些表之间的关系得以保留 。 创建触发器的SQL语法:Delimiter | Create trigger ` 触发器有什么功能?
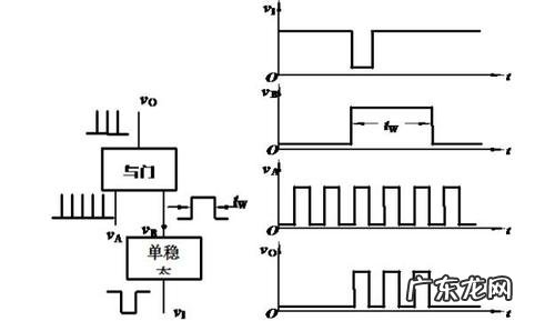
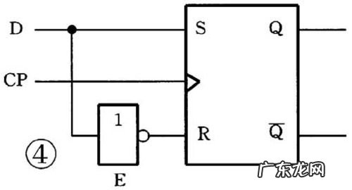
时钟脉冲边沿作用下的状态刷新称为“触发器 , 具有这种特性的存储单元电路称为触发器” 。 触发器的功能是使其所在的存储电路对时钟信号的某个边沿敏感 , 并在其他时间保持状态不变 。 报警功能
触发器的作用是什么?
触发器是一种特殊的存储过程 。 当使用以下一个或多个数据修改操作修改指定表中的数据时 , trigger将生效:UPDATE , INSERT?还是?删除.触发器可以查询其他表并包含复杂的?SQL?声明 。 它们主要用于执行复杂的业务规则或需求 。 例如 , 您可以控制是否允许根据客户的当前帐户状态插入订单 。
触发器还有助于实施参照完整性 , 以便在添加、更新或删除表中的行时保留表之间定义的关系 。 但是 , 实施参照完整性的最佳方式是在相关表中定义主键和外键约束 。 如果使用数据库图表 , 可以在表之间创建关系 , 以自动创建外键约束 。
触发器的优点如下:
1.触发器是自动的:在对表数据进行任何更改(例如手动输入或应用程序采取的操作)后 , 它们会立即被激活;
- 恩特雷布赫山坡地犬的品种介绍
- 恩特雷布赫山地犬的形状特点
- 华为视频app怎么投屏到电视上 华为视频怎么投屏到电视上
- 视频投屏到电视 怎么将手机里的视频投屏到电视上
- 恩特雷布赫山地犬的性格特征
- 恩特雷布赫山地犬的保养专业知识
- 约克夏的喂养关键点
- 王的演变过程图解 如字源演变
- 的()填空词语大全(什么的战场填空)
- 泰迪犬的喂养关键点
特别声明:本站内容均来自网友提供或互联网,仅供参考,请勿用于商业和其他非法用途。如果侵犯了您的权益请与我们联系,我们将在24小时内删除。
