地下连续墙施工噪音、震动较小,对邻近地基和建筑物结构影响甚至微,故适宜在城市建筑密集和人流多及管线多的地域施工 。

文章插图
成槽机械

文章插图
常用沉槽设备介绍
1、抓斗式沉槽机
特点:结构简单,易于操作维修,运转费用低,广泛应用在较软弱的冲积地层 。
不适用:大块石、漂石、基岩等不适用 。当地的标准贯入度值大于40时,效率很低 。

文章插图

文章插图
2、冲击式成槽设备
特点:对地层适应性强,适用一般软土地层,也可使用砂砾石、卵石、基岩 。设备低廉 。
缺点:效率低 。

文章插图

文章插图
3、液压铣槽机
上海市基础工程有限公司双轮铣槽机,HTS 吊车悬管系统,目前配备最大挖掘深度44m。

文章插图

文章插图

文章插图

文章插图
4、多头钻成槽机
特点:挖掘速度快,机械化程度高,但设备体积自重大 。
缺点:不适用卵石、漂石地层,更不能用于基岩 。
日本利根公司开发BW型多头钻机 。

文章插图

文章插图
地下连续墙施工工艺流程

文章插图

文章插图
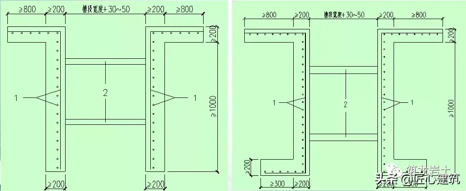
导墙
导墙施工
1、钢筋混凝土导墙分为现浇与预制两种,目前使用现场浇筑较多 。但预制的导墙比现场浇筑的节省材料用量;在地下水位很高时,预制的导墙比现场浇筑的好 。
2、导墙应采用现浇混凝土结构,混凝土强度等级不应低于C20,厚度不应小于200mm 。导墙应采用双向配筋,钢筋不应小于Φ12(HRB335),间距不应大于200mm,导墙形式见下图 。

文章插图

文章插图
(导墙允许偏差)

文章插图
泥浆
1. 泥浆的功能
(1)防止槽壁坍塌:泥浆从槽壁表面向土层内渗透到一定范围就粘附在土颗粒上,在槽壁上形成的泥皮(不透水膜),使得泥浆的静水压力有效地作用在槽壁上,防止槽壁的剥落和坍塌,如右图所示 。
(2)悬浮土渣:如果不能迅速排掉在挖槽过程中形成的土渣,会使泥浆的阻力增大,降低挖槽效果,混凝土质量下降,钢筋笼也难以插入 。科学地调制泥浆,可使土渣悬浮,通过泥浆循环将其携带出地面 。
- 妹抖龙什么意思 妹抖龙解释
- 翠花儿上酸菜是什么梗 翠花儿上酸菜是什么意思
- 撩你是什么意思 撩你的意思
- 何弃疗什么意思 何弃疗的意思
- zyq是什么意思网络用语 zyq的网络意思是什么
- 品如的衣柜是什么梗 品如的衣柜是啥含义
- 备注fluoxetine是什么意思 fluoxetine的意思
- 马桶漏水是怎么回事 马桶漏水是什么原因
- 热水器漏水怎么回事 热水器漏水是什么原因
- 背靠背比赛什么意思
特别声明:本站内容均来自网友提供或互联网,仅供参考,请勿用于商业和其他非法用途。如果侵犯了您的权益请与我们联系,我们将在24小时内删除。
