产品详情
光电开关是通过把光强度的变化转换成电信号的变化来实现控制的 。 凯基特光电开关产品种类齐全 , 漫反射式 , 镜反射式 , 对射式 , 圆柱形 , 方形 , 槽型 , 继电器输出等 。 凯基特标准型光电开关产品种类齐全 , 漫反射式 , 镜反射式 , 对射式 , 远距离型 , 智能型 , 继电器输出型 , 抗干扰性强 , 性能稳定 , 全面满足您需求 。
南京凯基特电气有限公司生产的接近开关可完全替代图尔克、欧姆龙、倍加福等进口接近开关品牌 。
产品图片
文章图片
产品参数
产品型号CL115-2443GH
反射方式 漫反射式
检测距离Sn: 0.1m
距离公差 <10%(Sr)
外壳材质 铜镀镍或塑料
工作电压 10-30VDC
连波 ≤10%
开关迟滞 <15%
光源 红外光 (880nm)
适合大输出电流 200mA
无负载电流 ≤30mA
电压降 ≤2.5V
灵敏度调节 Trimmer 1tum
响应时间 <5ms
短路保护 Yes
上电保护 Yes
工作温度 -25°C- 55°C
环境湿度 35 to 85% RH
适合大强光 ≤10.000Lux
防护等级 IP66
产品尺寸图
文章图片
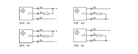
产品接线图
文章图片
公司简介
南京凯基特电气有限公司位于长三角六朝古都南京市 。 依托于高校技术和自主研发 , 凯基特已经发展成为一家专业从事自动化工控产品研发、生产、销售的国家高新技术企业 。 公司拥有20多项发明和实用新型专利 , 同时荣获”民营科技型企业” , “中小型科技型企业”、“国家高新技术企业” 。 公司在泰国、河北、重庆、山东等地成立办事处 , 产品远销东南亚、欧洲、非洲、美洲等市场 。
质量标准
凯基特在不断发展扩大的同时 , 对产品质量制定严格标准 , 已通过ISO9001:2015国际质量管理体系认证 , 所有产品均已通过CE认证 , 确保产品性能和质量达到国际同类产品的先进水平 , 在行业处于领先地位 。
行业应用
凯基特产品包含各类工业自动化传感器、工业安全产品、测量产品、无线传输装置等 , 广泛应用于航空航天、航海、铁路、邮电、通讯、电梯、纺织、石油化工、矿山、冶金、机床、机械、烟草、包装、印刷、食品、计量、办公、家电等行业 , 促进自动化工业的发展 。
工业安全保护专家
【CL115-2443GH光电式接近开关】——专业的工业安全解决方案提供商
特别声明:本站内容均来自网友提供或互联网,仅供参考,请勿用于商业和其他非法用途。如果侵犯了您的权益请与我们联系,我们将在24小时内删除。
