【高通定制芯片,支持sim卡使用,科大讯飞翻译机1.0拆解报告】
文章图片
主板GSM的2G网络天线连接点 。
文章图片
USB接口母座特写 。
文章图片
SIM卡的卡槽 。
文章图片
内置电池型号为JN514271 , 额定电压3.8V , 容量为2200mAh 。
文章图片
电池上的电路保护板 , 上面有保护IC和MOS 。
文章图片
丝印T07003的IC 。
文章图片
丝印J73Z03的IC 。
文章图片
丝印“7C20M”的IC 。
文章图片
丝印“ANJ”的IC 。
文章图片
丝印“8736 AEK5”的IC 。
文章图片
整块电路板打开金属保护罩 。
文章图片
金属罩下的MT6625LN是一颗整合了FM/WiFi、GPS以及蓝牙的四合一无线连接芯片IC 。
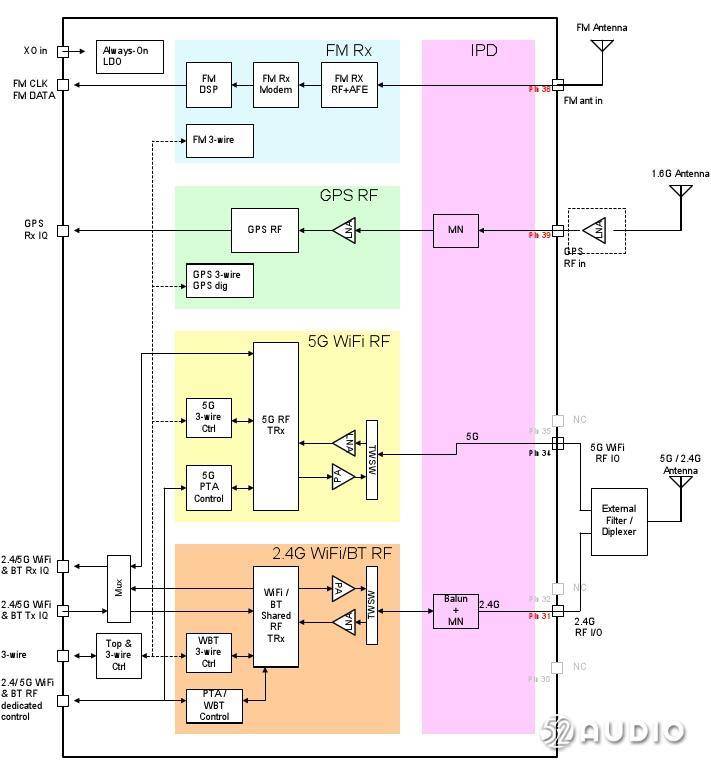
文章图片
MEDIATEK联发科MT6625LN芯片详细资料 一览 。
文章图片
无线功放电路元件一览 。
文章图片
VC7443射频放大器 。
文章图片
MEDIATEK联发科MT6169是一种40nm CMOS多模多波段收发信机 。 射频收发器功能完全集成 , 可应用于语音拨号 。
文章图片
VanchipVC7916射频功率放大器 。
文章图片
VanchipVC7916详细资料 。
文章图片
局部元器件排列一览 。
文章图片
丝印“160u5713”的IC 。
文章图片
射频信号放大器外围的滤波组件1 。
文章图片
射频信号放大器外围的滤波组件2 。
特别声明:本站内容均来自网友提供或互联网,仅供参考,请勿用于商业和其他非法用途。如果侵犯了您的权益请与我们联系,我们将在24小时内删除。
